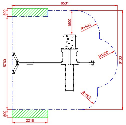
MACEDONIA MINI 02 - MINMAC02

 

Altura libre de caída: 0,90 m
Edad recomendada de uso: a partir de 3 años
Madera de pino tratada en autoclave Nivel IV
Componentes plásticos: Polietileno de alta densidad con protección UV
Componentes metálicos galvanizados
Tobogán con rampa de acero inoxidable
Tubos de barrera de acero inoxidable
Tornillería protegida con tapones de polipropileno
Asiento plano

 

 

FICHA TÉCNICA
MINMAC02 - TORRE MINI MACEDONIA 02 - FIC[...]
Documento Adobe Acrobat [4.6 MB]

COLUMPIOS CRISELA

Parques Infantiles Crisela

Leganés, Madrid 28918

TELÉFONOS:

659 37 76 77 / 659 67 58 03

formulario de contacto.

descarga nuestros catálogos NUEVOS CATÁLOGOS Y OFERTAS

LOCALIZACIÓN

Recomendar esta página en:

Versión para imprimir | Mapa del sitio
© Parques Infantiles Crisela